|
Icon code |
Design size |
Tolerance |
|
A |
15.90 |
Minimum value |
| B |
27.60 |
The maximum value |
| C |
1.75 |
Minimum value |
| D |
21.50 |
Reference |
| E |
18.00 |
Reference |
| F |
1.00 |
±0.10 |
| G |
37.30 |
The maximum value |
| H |
29.20 |
±0.30 |
| I |
1.50 |
±0.10 |
| J |
2.00 |
±0.10 |
| W |
1.00 |
Reference |
● Detection tool: digital caliper or micrometer.
● Indicate the code for inspection.
● The number of outlet slots is 4 × 2.
● hole A is not roundness ≤ 0.20mm, both sides of the hobbing plane of the parallelism ≤ 0.20mm, no significant warping.
● hole hole anastomosis is not allowed to have a step, feel smooth and unimpeded.
● no residual shape or damage, color is no different normal
● finish up to ▽ 7 or more, but allow for harmless scars and miniatures.
● Metal-free impurities or other debris, containing metal, debris products, must be waste separation.
● no melting marks, no internal pores bright spot. There are stomatal highlights (excluding melting marks) products for foreign goods.
● no flash, burr and excess material. Key parts of the burr ≤ 0.05 mm.
● anti-pressure ≥ 25 kg / square centimeter, no damage.
● feel a strong elasticity, and not brittle.
● hardness, wear resistance are suitable for high-speed heavy-duty rotation.
● Selection of raw materials must meet the requirements of the EU ROHS directive, and has UL yellow card certification and fixed-point supply.
● heat distortion temperature ≥ 120 degrees Celsius, insulation resistance must be ≥ 1000M ohm, flame retardant UL94Vo level / 0.8-3.2mm.
● other structures should meet the transformer manufacturing process as the standard.
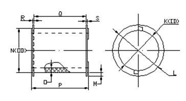
Check the main design dimensions as shown: R-07 outside
|
Icon code |
Design size |
Tolerance |
| K | 21.80 | ± |
| L | 27.50 | The maximum value |
| M | 1.85 | Minimum value |
| N | 23.80 | ± |
| O | 1.00 | ±0.10 |
| P | 32.50 | ± |
| Q | 27.00 | ±0.30 |
| R | 1.50 | ± |
| S | 2.50 | ± |
● Detection tool: digital caliper or micrometer.
● Indicate the code for inspection.
● The number of outlet slots is 5 × 2.
● the hole K is not roundness ≤ 0.20mm, with the inner shell D size with the appropriate fit.
● hole hole anastomosis is not allowed to have a clear step, two pieces of flat after no obvious warping, splicing seam ≤ 0.20mm.
● shape no defect or damage, allowing anastomosis in the absence of defects, color is no different normal
● finish up to ▽ 7 or more, but allow for harmless scars and miniatures.
● Metal-free impurities or other debris, containing metal, debris products, must be waste separation.
● no melting marks, no internal pores bright spot. There are stomatal highlights (excluding melting marks) products for foreign goods.
● no flash, burr and excess material. Key parts of the burr ≤ 0.05 mm.
● anti-pressure ≥ 25 kg / square centimeter, no damage.
● feel a strong elasticity, and not brittle.
● Selection of raw materials must meet the requirements of the EU ROHS directive, and has UL yellow card certification and fixed-point supply.
● heat distortion temperature ≥ 120 degrees Celsius, insulation resistance must be ≥ 1000M ohm, flame retardant UL94Vo level / 0.8-3.2mm.
● other structures should meet the transformer manufacturing process as the standard.

